
12年專注精密減速機生產、銷售廠家





| JRL系列標注說明 | ||||||
| 產品系列 | 產品規格 | 級數 | 傳動比 | 背隙 | 輸出形式 | 備注 |
| JRL | 60 | L1 | 5 | P1 | ||
| 60 80 90 120 |
L1:=1級 L2:=2級 |
L1: 3 4 5 7 10 L2: 9 12 15 16 20 25 30 35 40 50 70 100 |
P1=精密間隙 P2:標注間隙 |
S1=光軸輸出 無:帶鍵輸出 |
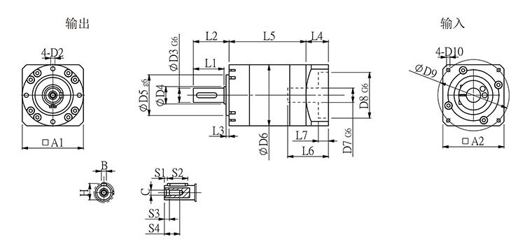
電機制造商及規格型號??梢灾苯犹峁┹敵鲞B接尺寸 | |

|
JRL60-L2
|
||||||||||||||||||||||||
| D1 |
D2
|
D3
|
D4
|
D5
|
D6
|
D7
|
D8
|
D9
|
D10
|
L1
|
L2
|
L3
|
L4
|
L5
|
L6
|
L7
|
A2
|
S1
|
S2
|
S3
|
S4
|
B
|
H
|
C
|
|
52
|
M5
|
14
|
17
|
40
|
60
|
14
|
50
|
70
|
M4
|
30
|
35
|
3
|
22
|
75.5
|
32
|
4
|
60
|
3
|
20
|
5
|
18
|
5
|
16
|
M5
|
|
客戶定制
|
||||||||||||||||||||||||
| 技術參數 / 規格 | JRL60 | JRL80 | JRL90 | JRL120 | |||
| 最大扭矩 | Nm | 1.5倍額定扭矩 | |||||
| 緊急制動扭矩 | Nm | 2倍額定扭矩 | |||||
| 最大容許徑向力 | N | 240 | 400 | 450 | 1240 | ||
| 最大容許軸向力 | N | 220 | 420 | 430 | 1000 | ||
| 抗鈕剛性 | Nm / arcmin | 1.8 | 4.7 | 4.85 | 11 | ||
| 最大輸入轉速 | rpm | 8000 | 6000 | 6000 | 6000 | ||
| 額定輸入轉速 | rpm | 4000 | 3500 | 3500 | 3500 | ||
| 噪音 | dB | < 58 | < 60 | < 60 | < 65 | ||
| 平均壽命 | h | 20000 | |||||
| 滿載效率 | % | L1 ≥ 96% L2 ≥ 94% | |||||
| 回程間隙 | P1 | L1 | arcmin | ≤8 | ≤8 | ≤8 | ≤8 |
| L2 | arcmin | ≤12 | ≤12 | ≤12 | ≤12 | ||
| P2 | L1 | arcmin | ≤16 | ≤16 | ≤16 | ≤16 | |
| L2 | arcmin | ≤20 | ≤20 | ≤20 | ≤20 | ||
| 轉動慣量 | L1 | 3 | Kg.cm2 | 0.46 | 0.77 | 1.73 | 12.78 |
| 4 | Kg.cm2 | 0.46 | 0.77 | 1.73 | 12.78 | ||
| 5 | Kg.cm2 | 0.46 | 0.77 | 1.73 | 12.78 | ||
| 7 | Kg.cm2 | 0.41 | 0.65 | 1.42 | 11.38 | ||
| 10 | Kg.cm2 | 0.41 | 0.65 | 1.42 | 11.38 | ||
| L2 | 12 | Kg.cm2 | 0.44 | 0.72 | 1.49 | 12.18 | |
| 15 | Kg.cm2 | 0.44 | 0.72 | 1.49 | 12.18 | ||
| 20 | Kg.cm2 | 0.44 | 0.72 | 1.49 | 12.18 | ||
| 25 | Kg.cm2 | 0.44 | 0.72 | 1.49 | 12.18 | ||
| 28 | Kg.cm2 | 0.44 | 0.72 | 1.49 | 12.18 | ||
| 40 | Kg.cm2 | 0.44 | 0.72 | 1.49 | 12.18 | ||
| 50 | Kg.cm2 | 0.34 | 0.58 | 1.25 | 11.48 | ||
| 100 | Kg.cm2 | 0.34 | 0.58 | 1.25 | 11.48 | ||
| 技術參數 / 規格 | JRL60 | JRL80 | JRL90 | JRL120 | ||
| 級數 | 速比 | |||||
| 額定扭矩 (Nm) Tn | L1 | 3 | 27 | 50 | 96 | 161 |
| 4 | 40 | 90 | 122 | 210 | ||
| 5 | 40 | 90 | 122 | 210 | ||
| 7 | 34 | 48 | 95 | 170 | ||
| 10 | 16 | 22 | 56 | 86 | ||
| L2 | 9 | 27 | 50 | 96 | 161 | |
| 12 | 27 | 50 | 96 | 161 | ||
| 15 | 27 | 50 | 96 | 161 | ||
| 16 | 40 | 90 | 122 | 210 | ||
| 20 | 40 | 90 | 122 | 210 | ||
| 25 | 40 | 90 | 122 | 210 | ||
| 28 | 40 | 90 | 122 | 210 | ||
| 30 | 27 | 50 | 96 | 161 | ||
| 35 | 40 | 90 | 122 | 210 | ||
| 40 | 40 | 90 | 122 | 210 | ||
| 50 | 40 | 90 | 122 | 210 | ||
| 70 | 34 | 48 | 95 | 170 | ||
| 100 | 16 | 22 | 56 | 86 | ||
| Kg | L1 | 0.93 | 2.35 | 2.35 | 6.15 | |
| L2 | 1.15 | 2.70 | 2.70 | 8.00 | ||
